8 конструкционных узлов токарного станка ТВ-6
Автор: Волков Семён
Дата публикации: 26 Августа 2024. ID 149497
Плюсы и минусы токарного станка ТВ-6
Токарный станок ТВ-6 обладает рядом преимуществ, таких как высокая надежность, точность обработки и универсальность применения. Он может использоваться для различных видов обработки металлов, включая точение, сверление и фрезерование. Дополнительным плюсом является возможность использования как в профессиональных мастерских, так и в домашних условиях.
Однако имеются и определенные недостатки. Во-первых, ТВ-6 требует регулярного технического обслуживания и смазки всех подвижных частей, что может быть трудоемким процессом. Во-вторых, необходимость соблюдения всех мер безопасности при работе с таким оборудованием, так как неправильное использование может привести к травмам.
Технические параметры ТВ-6
- Мощность двигателя: 400 Вт
- Максимальный диаметр обработки над станиной: 125 мм
- Максимальная длина обрабатываемой детали: 400 мм
- Число оборотов шпинделя: от 50 до 2000 об/мин
- Габариты (ДхШхВ): 875х410х400 мм
- Вес: 73 кг
Описание с чертежами восьми конструктивных компонентов
Токарный станок ТВ-6 состоит из следующих ключевых компонентов, каждый из которых важен для его функционирования:
- Станина: Обеспечивает устойчивая конструкция для крепления всех узлов станка, выполнена из прочного чугуна.
- Шпиндельная бабка: Содержит шпиндель и двигатель, обеспечивает вращение заготовки.
- Резцедержатель: Устройство для закрепления и перемещения режущего инструмента.
- Передняя бабка: Состоит из системы передач и обеспечивает передаточное отношение для регулировки числа оборотов шпинделя.
- Суппорт: Узел, обеспечивающий подачу резца в продольном и поперечном направлениях.
- Пульт управления: Панель управления режимами работы станка.
- Прижимные устройства: Обеспечивают надежное крепление заготовки на шпинделе.
- Задняя бабка: Подвижный узел, поддерживающий длинные заготовки и инструменты.
Особенности эксплуатации
Эксплуатация токарного станка ТВ-6 требует соблюдения мер безопасности и правильного технического обслуживания. Необходимо регулярно проверять натяжение ремней, производить смазку подвижных частей и следить за точностью настройки инструмента.
Три альтернативы станку ТВ-6
На рынке России существуют несколько альтернатив токарному станку ТВ-6, которые могут стать отличной заменой:
- Jet JWL-1221VS: Компактный и универсальный токарный станок для дома и мастерской.
- Optimum TU 1503: Надежный и точный станок с широким диапазоном скоростей.
- СтанкоИмпорт TV-20: Прочный станок с хорошей мощностью и функциями.
Что такое токарный станок
Первые полуавтоматические инструменты для обработки материалов, подобные токарным станкам, были созданы еще в 1300 году до нашей эры. Родоначальником современных станков был Древний Египет. Вслед за ним технологии обработки начали развивать китайцы. С течением времени примитивные конструкции токарных станков распространились среди развивающихся народов по всему миру.

Первый полноценно металлический токарный станок был создан Вокансоном в 1751 году. Автоматизация оборудования стала актуальна лишь во второй половине 20 века. ЧПУ до сих пор остаются вершиной технологий в области токарных станков, поэтому для бытовых нужд люди в основном приобретают машины с ручным управлением — это экономично и эффективно.
| Преимущества токарных станков | Недостатки оборудования |
|---|---|
| Возможность создания элементов сложной формы за один цикл обработки. | Промышленные токарные станки по металлу на российском рынке стоят недешево. Аналогичная ситуация и с их обслуживанием. Особенно высоки затраты при работе с ЧПУ системами. |
| Оборудование может обрабатывать различные виды металлов — цветные, черные и их сплавы. Важно лишь правильно подобрать параметры мощности и скорости обработки. | |
| Металлическая стружка отправляется на переплавку, что делает производство на токарных станках практически безотходным. | Большинство токарных станков имеют значительные размеры и вес, что неудобно для использования в гараже. |
| Высокая чистота поверхности изделия и многофункциональность благодаря большому выбору сменных инструментов. |
Сгладить недостатки можно, приобретая оборудование с ручным управлением, уже бывшее в употреблении. Второй совет — обратить внимание на компактные модели устройств, предназначенных для гаражного использования рядовыми потребителями.
Теперь несколько слов о классификации токарных станков. Удобнее представить информацию в виде таблицы.
| Тип станка | Особенности | Популярность (из 5 ★) |
|---|---|---|
| Токарно-винторезный | Оборудование применяется для обработки цветных и черных металлов или сплавов. Основные задачи включают точение и нарезку резьбы метрического/дюймового и прочих типов. Эти станки являются универсальными и часто используются для частного использования или мелкосерийного производства. | ★★★★★ |
| Токарно-карусельный | Отличительной особенностью является вертикальное расположение оси вращения. Применяются для точения, подрезки торцов, прорезания каналов и нарезки резьбы. Дополнительные насадки расширяют функционал, предоставляя возможности фрезеровки, шлифовки и точения фасонных поверхностей под копирку. | ★★★★ |
| Лоботокарный | Используется для обработки заготовок с большим радиусом и небольшой высотой. Недостаток этой машины — сложности при монтаже изделий для обработки. | ★★ |
| Токарно-револьверный | Специализированное оборудование для изготовления деталей из прутка. | ★★ |
| Автомат продольного точения | Отлично подходит для мелкосерийного производства деталей из прутка, фасонного профиля и проволоки. Легко обрабатывает как цветные металлы, так и легированные стали. | ★★★ |
| Многошпиндельный автомат | Применяется для производства точных заготовок из прутка разнообразной геометрии сечения или труб. Преимущественно используется в промышленности, увеличивая производительность благодаря ЧПУ и возможности выполнения нескольких операций. | ★★★★ |
| Токарно-фрезерный | Комбинирует функции обоих видов станков. Особая конструкция позволяет использовать один шпиндель для стационарной и вращательной работы, что делает его подходящим для обработки сложных заготовок. | ★★★ |
Также имеются токарно-полировочные, токарно-отрезные и другие подобные типы станков, но они относятся к специализированным и поэтому не получили широкого применения в мелком производстве.

Одним из ключевых показателей при выборе станка является уровень точности, с которой он выполняет обработку. Имеется классификация на 5 категорий: С, В, Н, А, П (от самой низкой к самой высокой). Класс точности определяет сферу использования оборудования и его цену.
Анализ токарного станка ТВ-6

Эти устройства проектировались специально для обучения новичков навыкам работы на токарных станках в школах, училищах и других специализированных учреждениях. Поставки такого оборудования прекратились в 2020 году, но его все еще можно найти в различных мастерских.
1) Описание + технические характеристики
Возможные операции на станке ТВ-6:
- сверление;
- растачивание заготовок цилиндрической или конической формы;
- торцевание;
- нарезка метрической резьбы;
- разделение заготовок на части.
В технической документации машины ясно указано, что на ТВ-6 разрешено обрабатывать заготовки из цветных металлов, которые не выделяют при работе летучих соединений или мелкодисперсной пыли. Указанные вещества вредят здоровью взрослых, а для молодежи школьного и студенческого возраста их воздействие еще более губительно.

Главный плюс станка по сравнению с аналогами – это его лаконичность. Вес агрегата составляет всего 0.3 центнера, а максимальная длина достигает лишь 144 сантиметра. Эти характеристики позволяют без труда установить несколько таких станков даже в небольшой мастерской в школе.
Важно: начиная с 2020 года, токарный станок ТВ-6 больше не производится. Его заменили более современные обучающие модели.
Из-за нехватки финансов в образовательной сфере, замена учебного оборудования в нашей стране происходит очень медленно. Даже в данный момент более 80% учебных учреждений России не получили новых моделей вместо ТВ-6, поэтому, если есть желание увидеть этот агрегат, достаточно зайти в ближайшую школьную мастерскую.

Подготовленные для обработки на ТВ-6 заготовки не должны превышать 200 мм в диаметре над станиной и 80 мм над суппортом. Что касается размеров заготовки, максимальная длина составляет 350 мм, при этом длина проточки не должна превышать 300 мм.
| Параметры суппорта | Характеристики шпинделя |
|---|---|
| Горизонтальное перемещение – 10 сантиметров. Одно деление лимба – 0.025 мм. | Обороты в прямом и обратном направлении – до 700 оборотов за минуту. |
| Максимальное горизонтальное перемещение – 30 сантиметров. Размер деления лимба – 0.25 миллиметра. | Максимальный диаметр вставляемого прутка не должен превышать 1.2 сантиметра. |
| Смещение салазок резца до 8 сантиметров, поддерживается нарезка 3 типов резьбы. | Регулировка вращения осуществляется 6 ступенями переключения. |
| Продольное перемещение регулируется 3 ступенями, максимальная скорость подачи – 0.1 оборота в минуту. | Конус Морзе №3. |
К явным минусам конструкционных компонентов можно отнести отсутствие у шпинделя механизма блокировки рукоятки, а также отсутствие тормозной системы. В других аспектах технические характеристики станка ТВ-6 вполне подойдут для выполнения простых задач по обработке цветных металлов.
2) Какая конструкция у станка ТВ-6?

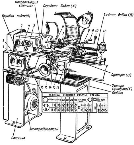
Основные компоненты токарного станка ТВ-6:
- Передняя бабка.
- Передаточный механизм.
- Подающая коробка.
- Фартук.
- Суппорт.
- Задняя бабка.
- Станина.
- Электрооборудование.
- Задняя тумба.
- Передняя тумба.
Этот станок достаточно популярен, поэтому для изучения его конструкции более детально, можно использовать поисковую систему Google или Яндекс, воспользовавшись ими для поиска картинок по запросу ТВ-6. В таблице ниже приводится краткое описание основных функциональных компонентов станка.
| Компонент | Описание |
|---|---|
| Станина | Основной элемент станка, связывающий все остальные функциональные узлы. Изготовлена из чугуна и имеет коробчатую форму с несколькими «окнами». Опережается на двух тумбах и оснащена четырьмя направляющими (два плоского типа и два призматического). Направляющие обеспечивают перемещение суппорта и задней бабки. |
| Передняя тумба | Конструкция из стали или чугуна с жесткими ребрами сверху и снизу. Имеет форму буквы «П». На задней стороне располагается двигатель, а спереди — кнопка включения/выключения. |
| Задняя тумба | Идентична передней тумбе — выполнена из стали или чугуна, имеет форму «П» и жесткие ребра. Предназначена для удержания щитка с электрооборудованием токарного станка ТВ-6. |
| Передняя бабка | Расположена спереди и слева на станине, закрепляется установочными винтами. Приводится в движение от ремня. Основная функция — поддержка и вращение заготовки при обработке. В моделях ТВ-6 совместима с коробкой скоростей. Смена направления перемещения суппорта осуществляется через внутренние решения этого узла. |
| Гитара | Передает вращение от шпинделя к подающей коробке. Состоит из кронштейна с шестернями. |
| Подающая коробка | Ход винта и валика изменяется при помощи рукоятки. Смазка узла идет через специальное корыто, откуда через фитили идет смазка на шестерни. Излишки масла стекают через сливную коробку. |
| Суппорт | Состоит из поперечных и продольных салазок, каретки, фартука и держателя резцов. Нижние салазки обеспечивают перемещение заготовки вдоль и поперек оси, а верхние — обрабатывают конические детали. Держатель резцов предназначен для удержания резцов. |
| Фартук | Часть суппорта. Обеспечивает механическую и продольную подачу в ручном режиме при помощи рукояток. |
Электромотор на станке ТВ-6 представляет собой асинхронный тип и работает на 380 В. Станок обеспечивает производство деталей с классом точности «Н», что вполне допустимо для учебного оборудования.
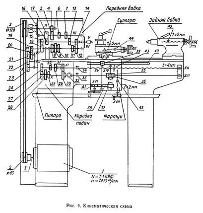
Кресления и схемы токарного станка ТВ-6:
- механизмы;

кинематическая схема станка;

головка станка или скоростная коробка модели ТВ-6;